|
散热器型号 |
通风净 截面积 (㎡) |
散热 面积 (㎡) |
热 媒 |
管束 数量 |
尺寸(mm) |
连接管 |
|
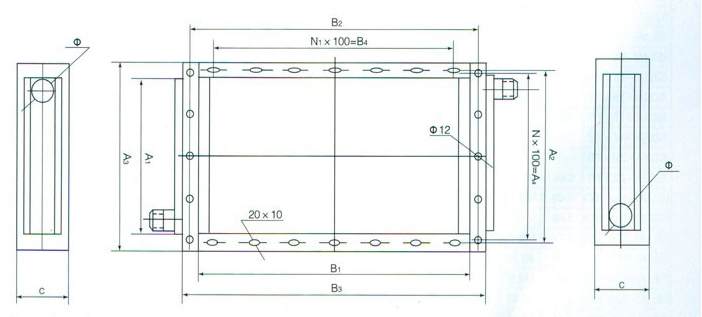
A4 |
B4 |
A 1 |
B 1 |
A 2 |
B 2 |
A 3 |
B 3 |
C |
|
SZL(A)-5×5/3 |
0.11 |
19.34 |
蒸 汽 或 高 温 水 |
35 |
500 |
400 |
545 |
500 |
575 |
540 |
605 |
570 |
160 |
1 |
|
SZL(A)-5×5/2 |
0.11 |
12.71 |
23 |
120 |
|
SZL(A)-10×5/3 |
0.22 |
38.68 |
35 |
900 |
1000 |
1040 |
1070 |
160 |
|
SZL(A)-10×5/2 |
0.22 |
25.42 |
23 |
120 |
|
SZL(A)-12×5/3 |
0.27 |
48.34 |
35 |
1200 |
1250 |
1290 |
1320 |
160 |
|
SZL(A)-12×5/2 |
0.27 |
31.77 |
23 |
120 |
|
SZL(A)-6×6/3 |
0.15 |
27.18 |
41 |
600 |
500 |
635 |
600 |
665 |
640 |
695 |
670 |
160 |
1 1/2 |
|
SZL(A)-6×6/2 |
0.15 |
17.90 |
27 |
120 |
|
SZL(A)-10×6/3 |
0.26 |
45.31 |
41 |
900 |
1000 |
1040 |
1070 |
160 |
|
SZL(A)-10×6/2 |
0.26 |
29.48 |
27 |
120 |
|
SZL(A)-12×6/3 |
0.32 |
56.63 |
41 |
1200 |
1250 |
1290 |
1320 |
160 |
|
SZL(A)-12×6/2 |
0.32 |
37.29 |
27 |
120 |
|
SZL(A)-15×6/3 |
0.39 |
68.00 |
41 |
1400 |
1500 |
1540 |
1570 |
160 |
|
SZL(A)-15×6/2 |
0.39 |
44.75 |
27 |
120 |
|
SZL(A)-24×6/3 |
0.60 |
108.73 |
41 |
2300 |
2400 |
2440 |
2470 |
160 |
|
SZL(A)-24×6/2 |
0.60 |
71.60 |
27 |
120 |
|
SZL(A)-7×7/3 |
0.21 |
36.35 |
47 |
700 |
600 |
755 |
700 |
755 |
740 |
785 |
770 |
160 |
2 |
|
SZL(A)-7×7/2 |
0.21 |
23.98 |
31 |
120 |
|
SZL(A)-10×7/3 |
0.30 |
51.94 |
47 |
900 |
1000 |
1040 |
1070 |
160 |
|
SZL(A)-10×7/2 |
0.30 |
34.26 |
31 |
120 |
|
SZL(A)-12×7/3 |
0.37 |
64.92 |
47 |
1200 |
1250 |
1290 |
1320 |
160 |
|
SZL(A)-12×7/2 |
0.37 |
42.82 |
31 |
120 |
|
SZL(A)-14×7/3 |
0.43 |
75.31 |
47 |
1400 |
1450 |
1490 |
1250 |
160 |
|
SZL(A)-14×7/2 |
0.43 |
49.47 |
31 |
120 |
|
SZL(A)-15×7/3 |
0.45 |
77.90 |
47 |
1400 |
1500 |
1540 |
1570 |
160 |
|
SZL(A)-15×7/2 |
0.45 |
51.38 |
31 |
120 |
|
SZL(A)-17×7/3 |
0.50 |
90.89 |
47 |
1700 |
1750 |
1790 |
1820 |
160 |
|
SZL(A)-17×7/2 |
0.50 |
59.95 |
31 |
120 |
|
SZL(A)-22×7/3 |
0.66 |
114.26 |
47 |
2100 |
2200 |
2240 |
2270 |
160 |
|
SZL(A)-22×7/2 |
0.66 |
75.36 |
31 |
120 |
|
SZL(A)-15×10/3 |
0.69 |
107.74 |
65 |
1000 |
1400 |
1025 |
1500 |
1025 |
1540 |
1055 |
1570 |
160 |
1 1/2 |
|
SZL(A)-15×10/2 |
0.69 |
71.27 |
43 |
120 |
|
SZL(A)-17×10/3 |
0.74 |
125.70 |
65 |
1700 |
1750 |
1790 |
1820 |
160 |
|
SZL(A)-17×10/2 |
0.74 |
83.15 |
43 |
120 |
|
SZL(A)-20×10/3 |
0.85 |
143.65 |
65 |
1900 |
2000 |
2040 |
2070 |
160 |
|
SZL(A)-20×10/2 |
0.85 |
95.03 |
43 |
120 |
|
SZL(A)-14×8/2 |
0.54 |
54.15 |
35 |
800 |
1400 |
815 |
1450 |
845 |
1490 |
875 |
1520 |
120 |
2 | |